您好!欢迎访问完美体育·WM网站!
关于我们
|
完美体育App下载
|
ENGLISH
咨询热线:
+86-513-85577211
首页
关于我们
产品展示
完美体育·WM
机修间设备
干燥器
降噪装置
船用中间轴承
船用温控阀
新闻中心
公司客户
在线留言
完美体育App下载
ENGLISH
热门关键词:
完美体育·WM
机修间设备
干燥器
降噪装置
船用中间轴承
搜索
产品分类
完美体育·WM
机修间设备
干燥器
降噪装置
船用中间轴承
船用温控阀
完美体育App下载
+86-513-85577211
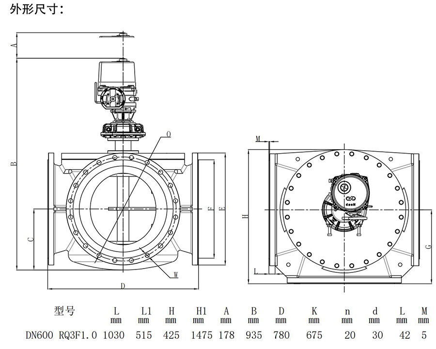
三通温度调节阀
上一条
查看详情 +
没有了!
下一条
查看详情 +
电动执行机构
相关产品
/ service
气焊设备
电焊设备
完美体育App下载
吸附式空气干燥器
膜式空气干器
精密过滤器
留言标题:
你的姓名:
联系电话:
电子邮箱:
联系地址:
留言内容:
完美网站
|
完美线上平台
|
完美体育在线(中国)唯一官方网站
|
完美体育·WM
|
完美在线平台
|
wanmei(中国)官方网站
|
完美手机版app
|
完美线上平台
|
完美平台_完美(中国)一站式服务平台
|